启东市龙盛石化设备制造有限公司

联系我们

启东市龙盛石化设备制造有公司

地址:启东市汇龙工业园区杨沙路18

邮编:226200

邮箱:qdsls@www.qdsls.cn

   13951335027@139.com

电话:0513-83353586  13951335068

传真:0513-83350849

网址:www.www.qdsls.cn

静态混合器

您的当前位置:首 页>> 产品中心 >> 静态混合器

SQS系列汽水混合器

  • 所属分类:静态混合器

  • 点击次数:0
  • 发布日期:2016-10-17
详细介绍
产品简介

  SQS系列汽水混合器是新型节能环保产品,它是利用蒸汽与水直接混合将水加热,具有低噪声、无振动、热效率高等特点,被广泛地应用在生活用热水、生产用热水及热水除氧等系统中。长期运行实践证明,该产品使用效果良好。

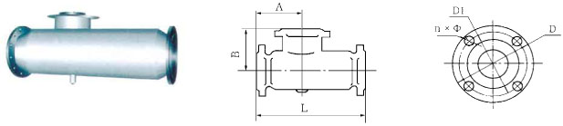
结构及原理
  该混合器主要由喷管、壳体、网板等部分组成。
  被加热水通过呈拉伐尔状的喷管时,蒸汽从喷管外侧通过管壁上许多斜向小喷头喷入水中,两者在高速流动中瞬间良好混合,以达到加热的目的。调节蒸汽侧阀门,就可得到所需温度的热水。

  表-Ⅰ及表-Ⅱ分别列出开式系统和循环系统在额定进水流量及蒸汽为0.4M P a下,不同加热温度与蒸汽消耗量的关系,供用户选择加热器和复核汽源时参考。(说明:蒸汽压力0.4MPa不一定是加热器运行的工况条件)。
开式系统蒸汽消耗量表
(饱和蒸汽压力为0.4MPa)
表-Ⅰ   单位:t/h
循环系统蒸汽消耗量表
(饱和蒸汽压力为0.4MPa)
表-Ⅱ   单位:t/h
  注:表-Ⅰ、表-Ⅱ中0.4MPa蒸汽不一定是本产品的使用条件。本设备的使用条件见后。
外形尺寸


上一篇:SK型静态混合器
下一篇:没有了