启东市龙盛石化设备制造有限公司

联系我们

启东市龙盛石化设备制造有公司

地址:启东市汇龙工业园区杨沙路18

邮编:226200

邮箱:qdsls@www.qdsls.cn

   13951335027@139.com

电话:0513-83353586  13951335068

传真:0513-83350849

网址:www.www.qdsls.cn

粗过滤器系列

您的当前位置:首 页>> 产品中心 >> 粗过滤器系列

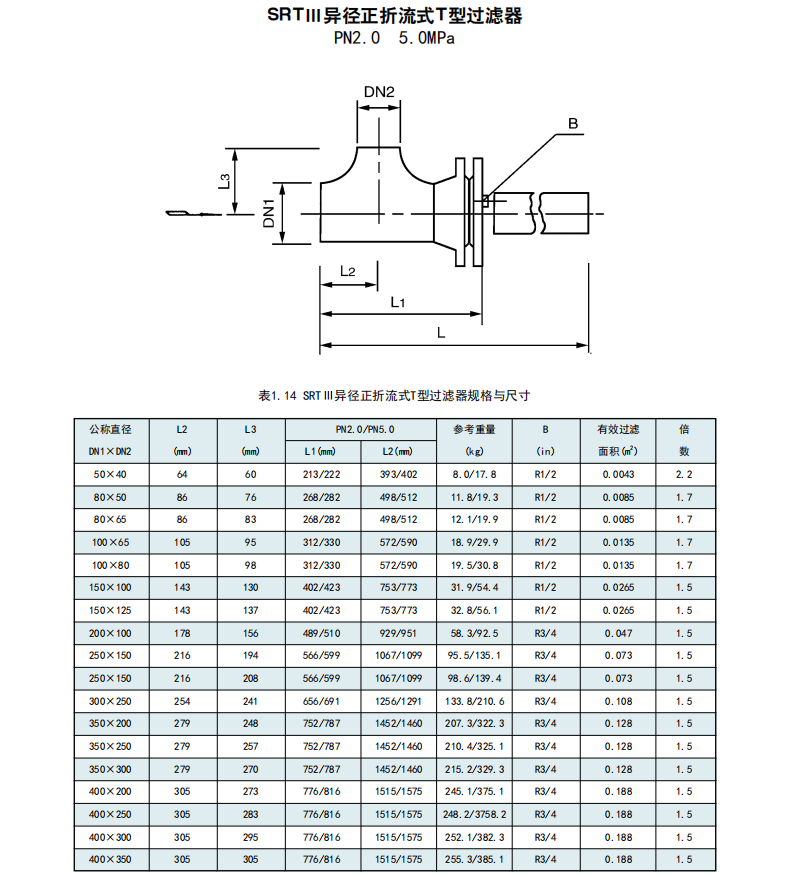
T型过滤器

  • 所属分类:粗过滤器系列

  • 点击次数:0
  • 发布日期:2019-12-25
详细介绍

1.png2.png3.png


上一篇:铸钢Y型过滤器
下一篇:SRB篮式过滤器