启东市龙盛石化设备制造有限公司

联系我们

启东市龙盛石化设备制造有公司

地址:启东市汇龙工业园区杨沙路18

邮编:226200

邮箱:qdsls@www.qdsls.cn

   13951335027@139.com

电话:0513-83353586  13951335068

传真:0513-83350849

网址:www.www.qdsls.cn

纸浆漂白专用设备

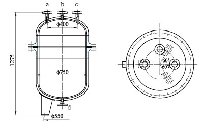
LS-1468型氯气逆止罐

  • 所属分类:纸浆漂白专用设备

  • 点击次数:0
  • 发布日期:2016-09-25
详细介绍
简 介

  LS-1468型氯气逆止罐是用于造纸工业多段漂白工艺中防止浆料倒流用的专用设备。本设备为钢制内衬耐酸橡胶的立式受压容器,由罐体、罐盖组成并有螺栓连接而成。

◎技术特性
◎产品外形示意图