启东市龙盛石化设备制造有限公司

联系我们

启东市龙盛石化设备制造有公司

地址:启东市汇龙工业园区杨沙路18

邮编:226200

邮箱:qdsls@www.qdsls.cn

   13951335027@139.com

电话:0513-83353586  13951335068

传真:0513-83350849

网址:www.www.qdsls.cn

纸浆漂白专用设备

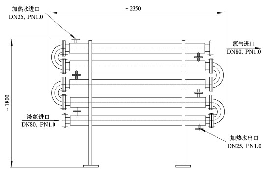
LS-1468型液氯汽化器

  • 所属分类:纸浆漂白专用设备

  • 点击次数:0
  • 发布日期:2016-09-25
详细介绍
简 介

  LS-1468型液氯汽化器是用于造纸工业多段漂白工艺中液氯汽化加热用的专用设备。本设备为钢衬玻璃管道外加夹套的U形管式结构,加热效果及耐腐蚀性明显优于传统的罐式汽化器。

◎技术特性
◎产品外形示意图